Условие задания
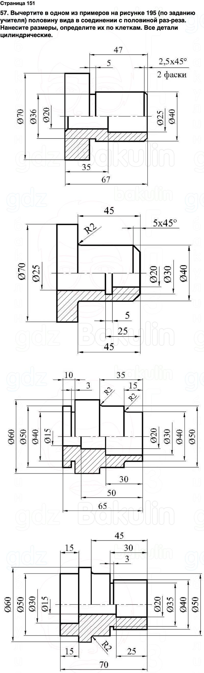
57. Вычертите в одном из примеров на рисунке 195 (по заданию учителя) половину вида в соединении с половиной раз-реза. Нанесите размеры, определите их по клеткам. Все детали цилиндрические.
Издательство: Аст/Астрель
Предмет: Черчение
Автор: А. Д. Ботвинников, В. Н. Виноградов, И. С. Вышнепольский
57. Вычертите в одном из примеров на рисунке 195 (по заданию учителя) половину вида в соединении с половиной раз-реза. Нанесите размеры, определите их по клеткам. Все детали цилиндрические.